Zu Produktinformationen springen
1 von 5

SP 5A-12 [05002B12]

SP 5A-12 [05002B12]

Grundfos
Normaler Preis €1.173,17 EUR
Normaler Preis €1.751,00 EUR Verkaufspreis €1.173,17 EUR
Sale
Preis ohne MwSt. Versand wird beim Checkout berechnet

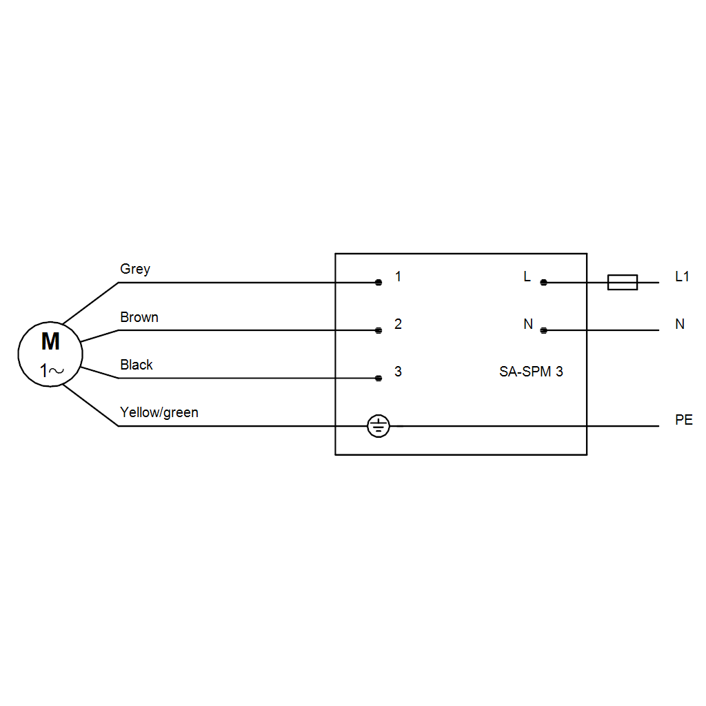
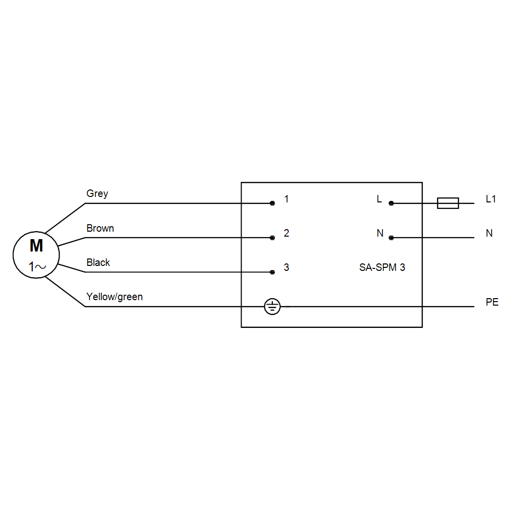
Unterwasserpumpe zur Förderung von sauberem Wasser. Für den vertikalen oder horizontalen Einbau, z. B.in Brunnen. Alle Stahlteile aus korrosionsbeständigem Edelstahl 1.4301 (AISI 304). Mit Trinkwasserzulassung. Die Pumpe ist mit einem 1.1 kW MS402-Motor mit Sandabweiser, Lippendichtung, wassergeschmierten Lagerzapfen und volumenausgleichender Membran ausgerüstet. Robuster, wirkungsgradoptimierter Unterwassermotor mit Spaltrohrtopf. Geeignet für Medientemperaturen bis 40 °C. Motor ohne Temperaturfühler. Zur Temperaturüberwachung kann ein Pt1000-Fühler installiert werden.

Specs Table

Einschaltart des Moters:Direkt (DOL).
Fördermedium:
Fördermedium:Wasser
Medientemperaturbereich:-15 .. 40 °C
Max. Medientemp. bei 0,15 m/s:40 °C
Medientemperatur während des Betriebs:20 °C
Dichte:998.2 kg/m³
Technische Daten:
Pump speed on which pump data are based:2900 1/min
Nennförderstrom:5 m³/h
Nennförderhöhe:49 m
Wellenabdichtung des Motors:LIPSEAL
Zulassungen:CE,EAC,UKCA,SEPRO,MOROCCO
Trinkwasserzulassungen:ACS,DM174
ISO Abnahmekl.:ISO9906:2012 3B
Motorausführung:T40
Rückschlagventil:Ja
Specification for shaft end:Keilnut
Werkstoffe:
Pumpe:Stainless steel
 EN 1.4301
 AISI 304
Laufradwerkstoff:Edelstahl
Laufrad:EN 1.4301
Laufradwerkstoff gemäß ASTM:AISI 304
Motor:Edelstahl
 DIN W.-Nr. 1.4301
 AISI 304
Installation:
Maximum ambient pressure:15 bar
Max. Betriebsdruck:15 bar
Maximum outlet pressure:7.8 bar
Anschlusstyp:Rp
Anschlussgröße:1 1/2 inch
Motor diameter:4 inch
Minimum borehole diameter:105 mm
Elektrische Daten:
Bauart des Motors:MS402
Motortyp:CSCR
Motor flange design:Grundfos
Motorbemessungsleistung P2:1.1 kW
Leistungsbedarf (P2) der Pumpe:1.1 kW
Netzfrequenz:50 Hz
Bemessungsspannung:1 x 230 V
Bemessungsstrom:7.3 A
Anlaufstrom:480 %
Leistungsfaktor Cos phi:0.99
Nenn-Drehzahl:2860 1/min
Einschaltart:Direkt
Schutzart (gemäß IEC 34-5):IP68
Wärmeklasse (IEC 85):B
Eingebauter Temperaturgeber:Nein
Kabellänge:1.7 m
Power cable type:FLAT
Motor - Produktnummer:79213105
Motorwicklung:Enamelled
Sonstiges:
Mindesteffizienzindex MEI ≥:0.50
Nettogewicht:15.7 kg
Bruttogewicht:17.2 kg
Versandvol.:0.016 m³
Zulassungen:WEEE
Vollständige Details anzeigen